Phần mềm Autocad
Sinh Viên Nhận Vẽ AutoCAD Thuê Chuyên Nghiệp – Giải Pháp Hoàn Hảo Cho Đồ Án và Dự Án Kỹ Thuật
Bạn là sinh viên đang đối mặt với những đồ án, bài tập lớn hay dự án kỹ thuật phức tạp yêu cầu bản vẽ AutoCAD chuyên nghiệp? Bạn cần một dịch vụ vẽ AutoCAD thuê uy tín, chất lượng với mức giá phải chăng, phù hợp với ngân sách sinh viên? Tin Học Sao Việt tự hào là địa chỉ tin cậy, cung cấp dịch vụ nhận vẽ AutoCAD 2D, 3D chuyên sâu trong các lĩnh vực kiến trúc, xây dựng, cơ khí, nội thất, PCCC, và điện nước, cam kết độ chính xác cao và đáp ứng mọi tiêu chuẩn kỹ thuật.
Với đội ngũ kỹ sư và thiết kế viên giàu kinh nghiệm, đặc biệt am hiểu nhu cầu của sinh viên, chúng tôi cam kết mang đến những bản vẽ AutoCAD chính xác, chi tiết, thẩm mỹ và đúng yêu cầu tiến độ của các bạn. Chúng tôi không chỉ là người hỗ trợ mà còn là đối tác đồng hành cùng sinh viên trên con đường học tập và nghiên cứu.
Lợi Ích Vượt Trội Khi Sinh Viên Lựa Chọn Dịch Vụ Nhận Vẽ AutoCAD Của Chúng Tôi
Khi lựa chọn dịch vụ nhận vẽ AutoCAD thuê của Tin Học Sao Việt, sinh viên sẽ nhận được nhiều giá trị:
- Chính Xác & Chuyên Nghiệp Tuyệt Đối: Mỗi bản vẽ được thực hiện bởi đội ngũ kỹ sư có chuyên môn cao, đảm bảo tính chính xác từng milimet, tuân thủ các quy chuẩn kỹ thuật quốc tế và Việt Nam. Đây là yếu tố then chốt giúp đồ án của bạn đạt điểm cao.
- Hoàn Thành Đồ Án Đúng Tiến Độ: Chúng tôi hiểu áp lực về thời gian của sinh viên. Do đó, cam kết bàn giao bản vẽ theo đúng thỏa thuận, giúp bạn hoàn thành đồ án, bài tập đúng hạn mà không lo lắng trễ nộp.
- Giá Cả Phải Chăng, Hỗ Trợ Sinh Viên: Dịch vụ có mức giá cạnh tranh đặc biệt, phù hợp với túi tiền của sinh viên, đảm bảo bạn nhận được chất lượng tốt nhất với chi phí tối ưu.
- Hỗ Trợ Tận Tình, Giải Đáp Mọi Thắc Mắc: Đội ngũ tư vấn sẵn sàng hỗ trợ 24/7 qua điện thoại, Zalo, Email để giải đáp mọi thắc mắc, điều chỉnh theo phản hồi của bạn một cách nhanh chóng và hiệu quả.
- Sử Dụng Phần Mềm AutoCAD Hiện Đại Nhất: Chúng tôi áp dụng các công cụ vẽ AutoCAD tiên tiến như AutoCAD Architecture, AutoCAD MEP, AutoCAD Civil 3D để nâng cao chất lượng bản vẽ, mang lại kết quả chuyên nghiệp nhất cho đồ án của bạn.
Chọn dịch vụ nhận vẽ AutoCAD tại Tin Học Sao Việt để trải nghiệm sự hỗ trợ chất lượng, uy tín và hiệu quả, giúp bạn tự tin với mỗi bản vẽ kỹ thuật trong hành trình học tập.
Tham Khảo Ngay Dịch Vụ Sinh Viên Nhận Vẽ AutoCAD Thuê Nhanh Chóng – Chất Lượng
Chúng tôi chuyên nhận vẽ AutoCAD thuê tại nhà, hỗ trợ sinh viên thiết kế bản vẽ các loại từ nhà phố, nhà trọ, biệt thự, nhà xưởng đến mặt bằng tổng thể trên AutoCAD. Mức giá dịch vụ vô cùng phải chăng, đảm bảo tiến độ và yêu cầu chất lượng theo mong muốn. Đội ngũ thiết kế của chúng tôi là những chuyên gia giỏi, làm việc nhanh chóng và tỉ mỉ, luôn đặt lợi ích và thành công trong học tập của khách hàng lên hàng đầu.
Chúng tôi CAM KẾT ĐÚNG TIẾN ĐỘ – UY TÍN – CHẤT LƯỢNG CAO.
Hotline/Zalo: 0979.616.043 – 0916.729.850
Email: CADXAYHL@gmail.com
Chuyên nhận vẽ thuê AutoCAD cho mọi đồ án và dự án của sinh viên.
Sinh viên nhận vẽ AutoCAD thuê giá rẻ, bản vẽ kỹ thuật chất lượng cao
Tin Học Sao Việt: Trung Tâm Hỗ Trợ Sinh Viên Nhận Vẽ AutoCAD Thuê Toàn Diện
Chúng tôi chuyên nhận vẽ AutoCAD thuê, hỗ trợ sinh viên trong nhiều khía cạnh:
- Nhận chỉnh sửa và thiết kế các loại bản vẽ kỹ thuật, xây dựng, kiến trúc, cơ khí, hệ thống cấp thoát nước… Nhận chuyển từ bản vẽ cứng sang file mềm, xử lý tất cả những yêu cầu liên quan đến AutoCAD cho đồ án của bạn.
- Nhận dựng và vẽ phối cảnh 3D cho đồ án kiến trúc nhà ở dân dụng, công trình công cộng, khu công nghiệp, quy hoạch… giúp đồ án của bạn trở nên sống động và chuyên nghiệp hơn.
- Nhận tư vấn và thiết kế kiến trúc, thiết kế nhà ở dân dụng, nhà phố, nhà liền kề, biệt thự, chung cư, nhà xưởng… hỗ trợ sinh viên các ngành kiến trúc, xây dựng hoàn thành xuất sắc đồ án tốt nghiệp.
- Nhận thiết kế và thi công nội thất, thạch cao, sàn gỗ… phù hợp cho các bạn sinh viên ngành thiết kế nội thất. Chúng tôi đảm bảo đúng thời gian yêu cầu và giá cả hợp lý.
Dịch vụ vẽ AutoCAD chuyên nghiệp hỗ trợ sinh viên hoàn thành đồ án kiến trúc
Đội ngũ sinh viên nhận vẽ AutoCAD nhanh chóng, đảm bảo tiến độ cho các dự án
Các Lĩnh Vực Chuyên Môn Trong Dịch Vụ Nhận Vẽ AutoCAD Thuê Dành Cho Sinh Viên
Tin Học Sao Việt chuyên nhận dịch vụ vẽ thuê AutoCAD (CAD) thuộc các lĩnh vực sau, đặc biệt hữu ích cho sinh viên:
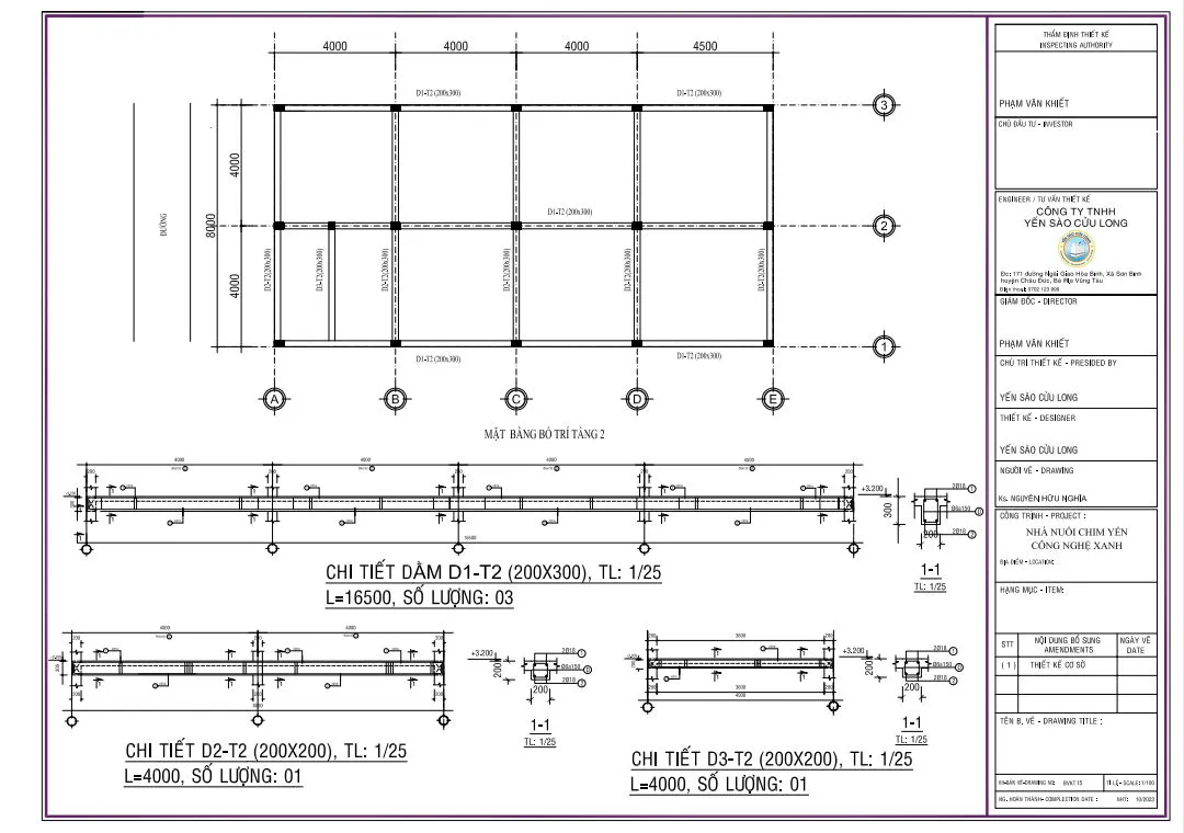
1. Dịch Vụ Nhận Vẽ AutoCAD Kiến Trúc – Xây Dựng cho Đồ Án Sinh Viên
- Vẽ thiết kế nhà phố, biệt thự, chung cư, nhà trọ cho đồ án quy hoạch hoặc kiến trúc dân dụng.
- Vẽ bản vẽ kết cấu móng, cột, dầm, sàn phục vụ đồ án kết cấu công trình.
- Thiết kế bản vẽ thi công công trình dân dụng và công nghiệp, hỗ trợ sinh viên thực hành.
2. Dịch Vụ Nhận Vẽ AutoCAD Cơ Khí – Máy Móc cho Sinh Viên Kỹ Thuật
- Vẽ bản vẽ chi tiết máy, cơ khí chính xác cho các đồ án môn học hoặc tốt nghiệp ngành cơ khí.
- Thiết kế mô hình 3D cơ khí theo yêu cầu đặc thù của từng bài tập, dự án.
- Gia công bản vẽ sản xuất, bóc tách chi tiết cho các bạn sinh viên thực tế.
3. Dịch Vụ Nhận Vẽ AutoCAD Hệ Thống Điện – Nước – PCCC Hỗ Trợ Sinh Viên
- Thiết kế hệ thống điện dân dụng, công nghiệp cho đồ án kỹ thuật điện.
- Vẽ bản vẽ hệ thống nước, cấp thoát nước, xử lý nước thải cho các môn môi trường, cấp thoát nước.
- Bản vẽ hệ thống PCCC, thông gió, điều hòa không khí phục vụ đồ án MEP.
4. Dịch Vụ Nhận Vẽ AutoCAD 3D – Phối Cảnh cho Đồ Án Thẩm Mỹ
- Dựng phối cảnh 3D nội thất, ngoại thất cho đồ án thiết kế kiến trúc, nội thất, quy hoạch.
- Mô hình hóa công trình theo yêu cầu, giúp sinh viên có cái nhìn trực quan về dự án.
- Hỗ trợ thiết kế bản vẽ đồ án tốt nghiệp, bài tập lớn, mang lại kết quả ấn tượng.
Các Phần Mềm AutoCAD Chuyên Dụng Được Sử Dụng Trong Dịch Vụ Hỗ Trợ Sinh Viên Của Chúng Tôi
Khi bạn là sinh viên lựa chọn dịch vụ nhận vẽ AutoCAD tại trung tâm chúng tôi, bạn sẽ được hưởng lợi từ việc sử dụng những phần mềm tiên tiến và chuyên dụng nhất trong ngành, đảm bảo chất lượng và tính chuyên nghiệp cho mọi đồ án:
- AutoCAD: Là phần mềm cốt lõi, cung cấp nền tảng mạnh mẽ cho việc tạo và chỉnh sửa bản vẽ kỹ thuật 2D và 3D. Nó cho phép chúng tôi thiết kế các bản vẽ chi tiết, từ kiến trúc đến cơ điện, với độ chính xác cao và sự linh hoạt tối ưu, rất quan trọng cho các dự án của sinh viên.
- AutoCAD Architecture: Được thiết kế đặc biệt cho các dự án kiến trúc, hỗ trợ các công cụ và tính năng đặc thù cho việc phát triển các bản vẽ kiến trúc chi tiết, giúp đồ án của bạn hoàn chỉnh và chuyên nghiệp.
- AutoCAD MEP: Sử dụng để thiết kế các hệ thống cơ điện và HVAC trong các công trình xây dựng, giúp chúng tôi tích hợp các yếu tố cơ điện vào bản vẽ tổng thể một cách chính xác.
- AutoCAD Civil 3D: Chuyên dụng cho thiết kế hạ tầng, bao gồm đường bộ, giao thông và hệ thống thoát nước. Phần mềm này giúp chúng tôi thực hiện các dự án hạ tầng với độ chính xác và hiệu quả cao, phù hợp cho sinh viên ngành xây dựng dân dụng, cầu đường.
- AutoCAD LT: Phiên bản rút gọn của AutoCAD, cung cấp các công cụ thiết kế 2D cơ bản. Chúng tôi sử dụng AutoCAD LT cho các dự án không yêu cầu các tính năng 3D nâng cao, giúp tiết kiệm chi phí mà vẫn đảm bảo chất lượng, phù hợp với yêu cầu đơn giản hơn của sinh viên.
- Navisworks: Sử dụng để kiểm tra và phối hợp các mô hình thiết kế từ AutoCAD và các phần mềm khác, giúp chúng tôi phát hiện và giải quyết các xung đột trong thiết kế trước khi bàn giao, đảm bảo bản vẽ của bạn không có lỗi.
Việc sử dụng các phần mềm AutoCAD chuyên dụng này giúp chúng tôi đảm bảo rằng mọi bản vẽ đều đạt chất lượng cao nhất, đáp ứng đúng yêu cầu của khách hàng và phù hợp với các tiêu chuẩn ngành, mang lại lợi thế cạnh tranh cho đồ án của bạn.
Chuyên gia và sinh viên kỹ thuật hỗ trợ vẽ AutoCAD các dự án xây dựng
Đáp ứng mọi yêu cầu tiêu chuẩn bản vẽ kỹ thuật theo các quy định thi công hiện hành, giúp đồ án của bạn đạt chuẩn.
Bảng Giá Dịch Vụ Nhận Vẽ AutoCAD Thuê 2025 Dành Cho Sinh Viên
| Dịch vụ nhận vẽ AutoCAD | Bảng giá tham khảo (Giá sinh viên) |
|---|---|
| Vẽ AutoCAD kiến trúc nhà | Từ 150k/1 Bản vẽ |
| Vẽ AutoCAD cơ khí | Từ 200k/ 1 Bản vẽ |
| Vẽ hệ thống điện, dân dụng | Từ 250k/ 1 Bản vẽ |
| Vẽ đồ án AutoCAD xây dựng | Từ 150k/ 1 Bản vẽ |
Lưu ý: Giá có thể thay đổi tùy theo độ phức tạp và yêu cầu đặc thù của bản vẽ. Vui lòng liên hệ để nhận báo giá chi tiết và ưu đãi dành riêng cho sinh viên!
Thiết Kế Vẽ AutoCAD Nhà Cửa, Kiến Trúc Giá Rẻ – Ưu Đãi Cho Sinh Viên
Bạn là sinh viên đang có nhu cầu muốn vẽ, thiết kế công trình dân dụng, cầu đường, nhà xưởng, mái thép, thủy lợi, thiết kế nội thất, vẽ đồ án môn, đồ án tốt nghiệp, bóc dự toán công trình? Chúng tôi sẵn sàng hỗ trợ bạn với mức giá ưu đãi đặc biệt.
Dịch vụ vẽ AutoCAD thuê uy tín cho sinh viên với chi phí phải chăng
Chúng tôi cung cấp dịch vụ vẽ phối cảnh 3D nội thất, ngoại thất cho các bạn sinh viên ngành kiến trúc, nội thất.
Bản vẽ phối cảnh phòng ngủ trẻ em, dịch vụ thiết kế nội thất cho sinh viên
Lợi Ích Đặc Biệt Khi Sinh Viên Sử Dụng Dịch Vụ Nhận Vẽ AutoCAD Tại Chúng Tôi
- Tiết Kiệm Thời Gian và Chi Phí Học Tập: Sinh viên không cần đầu tư vào phần mềm đắt tiền hay tốn thời gian học cách sử dụng các tính năng phức tạp. Chúng tôi đảm nhận toàn bộ quá trình vẽ, giúp bạn tiết kiệm thời gian quý báu để tập trung vào việc học và nghiên cứu.
- Chất Lượng Bản Vẽ Cao Đạt Chuẩn Đồ Án: Với đội ngũ chuyên gia giàu kinh nghiệm, chúng tôi đảm bảo các bản vẽ AutoCAD đạt tiêu chuẩn kỹ thuật cao nhất, từ chi tiết đến độ chính xác, đáp ứng mọi yêu cầu khắt khe của giảng viên và đồ án của bạn.
- Đồ Án Hoàn Thành Nhanh Chóng, Kịp Tiến Độ: Chúng tôi cam kết hoàn thành các dự án trong thời gian nhanh nhất, đảm bảo tiến độ công việc học tập của bạn không bị gián đoạn, giúp bạn tự tin nộp bài.
- Tư Vấn và Hỗ Trợ Chuyên Nghiệp Cho Sinh Viên: Ngoài dịch vụ vẽ, chúng tôi còn cung cấp tư vấn và hỗ trợ kỹ thuật, giúp bạn hiểu rõ hơn về bản vẽ và hoàn thiện dự án một cách trọn vẹn.
- Đa Dạng Loại Hình Đồ Án & Dự Án: Chúng tôi có kinh nghiệm trong nhiều loại hình dự án, từ thiết kế kiến trúc, nội thất, đến cơ khí, điện, nước, đảm bảo cung cấp dịch vụ tốt nhất cho mọi nhu cầu đồ án của sinh viên.
Phối cảnh 3D giường ngủ hiện đại, hỗ trợ sinh viên thiết kế nội thất chuyên nghiệp
Bản vẽ phối cảnh 3D phòng ngủ chi tiết, dịch vụ nhận vẽ AutoCAD cho đồ án sinh viên
Thông Tin Liên Hệ Dịch Vụ Sinh Viên Nhận Vẽ AutoCAD Thuê
Liên hệ ngay để được tư vấn và nhận báo giá ưu đãi đặc biệt cho sinh viên:
Anh Hải
Hotline/Zalo: 0979.616.043 – 0916.729.850
Email: CADXAYHL@gmail.com
Website: dichvudanhvanban.com
Website: chinhsuavanban.wordpress.com
Lý Do Sinh Viên Nên Chọn Dịch Vụ Nhận Vẽ AutoCAD Tại Trung Tâm Kiến Trúc Tin Học Sao Việt
Trung tâm Kiến trúc Tin Học Sao Việt là địa chỉ uy tín hàng đầu cho dịch vụ sinh viên nhận vẽ AutoCAD tại nhà. Chúng tôi nhận vẽ và thiết kế các dự án từ nhà phố, nhà trọ, biệt thự, nhà xưởng cho đến thiết kế mặt bằng trên AutoCAD với giá cả cực kỳ cạnh tranh, phù hợp với mọi sinh viên. Đội ngũ thiết kế của chúng tôi không chỉ giỏi chuyên môn mà còn làm việc nhanh chóng, tỉ mỉ, luôn đảm bảo tiến độ và đáp ứng đúng yêu cầu của khách hàng. Chúng tôi cam kết mang lại sự hài lòng tuyệt đối, đặt lợi ích và thành công học tập của bạn lên hàng đầu.
- Chuyên Nghiệp Trong Mọi Đồ Án: Chúng tôi nhận vẽ thuê AutoCAD cho nhiều loại đồ án như nhà phố, nhà trọ, biệt thự, và nhà xưởng. Với mỗi dự án, đội ngũ của chúng tôi đảm bảo chất lượng cao và sự tỉ mỉ trong từng chi tiết, giúp đồ án của bạn nổi bật.
- Giá Cả Cạnh Tranh Đặc Biệt Cho Sinh Viên: Dịch vụ vẽ thuê AutoCAD tại Trung tâm Tin Học Sao Việt luôn đi kèm với mức giá hợp lý, đảm bảo sinh viên nhận được giá trị tốt nhất cho khoản đầu tư của mình.
- Đảm Bảo Tiến Độ Hoàn Thành Đồ Án: Chúng tôi cam kết hoàn thành dự án đúng thời hạn, giúp bạn tiết kiệm thời gian và nhanh chóng đưa các bản vẽ vào sử dụng cho việc nộp bài hay thuyết trình.
- Tư Vấn và Hỗ Trợ Tận Tình Cho Sinh Viên: Đội ngũ chuyên viên của chúng tôi luôn sẵn sàng lắng nghe và đáp ứng mọi yêu cầu đặc thù của sinh viên, đảm bảo mỗi bản vẽ AutoCAD đều đạt chuẩn và đúng ý tưởng.
- Uy Tín và Đảm Bảo Chất Lượng: Với nhiều năm kinh nghiệm trong lĩnh vực nhận vẽ thuê AutoCAD, chúng tôi tự hào là đối tác tin cậy của nhiều sinh viên, mang đến sự hài lòng và kết quả vượt trội cho hành trình học tập.
Quy Trình Cung Cấp Dịch Vụ Nhận Vẽ AutoCAD Hỗ Trợ Sinh Viên
Để đảm bảo quy trình làm việc hiệu quả và mang lại kết quả tốt nhất cho sinh viên, chúng tôi áp dụng quy trình rõ ràng sau:
Bước 1: Tiếp Nhận Yêu Cầu và Đồ Án
- Sinh viên gửi yêu cầu qua Email/Zalo/Điện thoại, kèm theo thông tin chi tiết về đồ án, bản vẽ cần thực hiện, và các yêu cầu cụ thể.
- Chúng tôi sẽ xác nhận thông tin chi tiết và làm rõ mọi yêu cầu để đảm bảo hiểu đúng ý tưởng của bạn.
Bước 2: Báo Giá Ưu Đãi & Thống Nhất
- Chúng tôi gửi báo giá chi tiết, minh bạch dựa trên khối lượng công việc và độ phức tạp của bản vẽ, áp dụng mức giá ưu đãi dành cho sinh viên.
- Hai bên thống nhất về giá cả, thời gian hoàn thành và các điều khoản khác để đảm bảo tiến độ và chất lượng.
Bước 3: Tiến Hành Vẽ Chuyên Nghiệp
- Kỹ sư chuyên môn sẽ trực tiếp thực hiện bản vẽ theo tiêu chuẩn, tuân thủ các yêu cầu và thông số kỹ thuật mà bạn đã cung cấp.
- Chúng tôi sẽ kiểm tra và điều chỉnh bản vẽ theo phản hồi ban đầu từ khách hàng để đảm bảo sự hài lòng tối đa.
Bước 4: Bàn Giao & Chỉnh Sửa (Nếu Cần)
- Gửi bản vẽ hoàn chỉnh cho sinh viên qua email hoặc bản in (tùy yêu cầu).
- Chúng tôi hỗ trợ chỉnh sửa miễn phí 1 lần nếu có yêu cầu thêm từ sinh viên, đảm bảo bản vẽ cuối cùng hoàn hảo nhất cho đồ án của bạn.
MỘT SỐ HÌNH ẢNH KHÁC CỦA DỊCH VỤ SINH VIÊN NHẬN VẼ AUTOCAD THUÊ:
Dịch vụ nhận vẽ AutoCAD chuyên nghiệp, hỗ trợ tối đa cho sinh viên kiến trúc
Mẫu bản vẽ phối cảnh nhà 3D, dịch vụ vẽ AutoCAD thuê chất lượng cho sinh viên
Bản vẽ kiến trúc nhà 3D, dịch vụ nhận vẽ AutoCAD giúp sinh viên hoàn thành dự án
Khách Hàng Là Sinh Viên Nói Gì Về Chúng Tôi?
“Tôi là sinh viên kiến trúc và đã thuê dịch vụ vẽ AutoCAD của Sao Việt cho đồ án nhà phố. Bản vẽ rất chi tiết, chính xác và đúng tiến độ như cam kết. Rất hài lòng với sự hỗ trợ của các bạn!” – Anh Nam, Sinh viên Đại học Kiến trúc Hà Nội
“Tôi cần một bản vẽ AutoCAD 3D nội thất gấp trong thời gian ngắn cho bài tập lớn và dịch vụ của Sao Việt đã hoàn thành nhanh chóng với chất lượng tuyệt vời. Giá cả cũng rất phù hợp với sinh viên nữa.” – Chị Hoa, Sinh viên Đại học Mỹ thuật Công nghiệp TP.HCM
“Dịch vụ hỗ trợ tận tình, báo giá rõ ràng, đúng tiến độ. Tôi rất ấn tượng với sự chuyên nghiệp của đội ngũ kỹ sư, giúp tôi tự tin hơn với đồ án tốt nghiệp của mình.” – Anh Tùng, Sinh viên Đại học Bách Khoa Bình Dương
Câu Hỏi Thường Gặp Khi Sinh Viên Nhận Vẽ AutoCAD Thuê (FAQ)
Dịch vụ sinh viên nhận vẽ AutoCAD thuê mất bao lâu để hoàn thành?
- Thời gian hoàn thành dao động từ 1-3 ngày, tùy thuộc vào độ phức tạp và quy mô của bản vẽ đồ án. Đối với các yêu cầu gấp, chúng tôi có dịch vụ hỗ trợ nhanh.
Giá thuê vẽ AutoCAD cho sinh viên là bao nhiêu?
- Giá dịch vụ dao động từ 150K – 250K/bản vẽ, tùy thuộc vào loại bản vẽ và mức độ chi tiết. Hãy liên hệ trực tiếp để nhận báo giá cụ thể và các ưu đãi đặc biệt dành riêng cho sinh viên.
Dịch vụ có hỗ trợ chỉnh sửa sau khi bàn giao bản vẽ cho sinh viên không?
- Có, chúng tôi hỗ trợ chỉnh sửa miễn phí 1 lần theo yêu cầu của sinh viên sau khi bàn giao bản vẽ, để đảm bảo bạn hoàn toàn hài lòng.
Tôi là sinh viên cần bản vẽ AutoCAD gấp cho đồ án, có thể hoàn thành trong ngày không?
- Có, chúng tôi có dịch vụ nhận vẽ nhanh trong 24h với chi phí ưu đãi dành cho các trường hợp khẩn cấp của sinh viên, giúp bạn kịp thời gian nộp bài.
Liên Hệ Đặt Dịch Vụ Sinh Viên Nhận Vẽ AutoCAD Ngay Hôm Nay!
Đừng để những bản vẽ phức tạp làm chậm trễ quá trình học tập của bạn. Hãy liên hệ với chúng tôi để nhận được sự hỗ trợ chuyên nghiệp, nhanh chóng và hiệu quả nhất!
- Địa chỉ: Tp HCM, Bình Dương, Đồng Nai, Hà Nội
- Hotline/Zalo: 0979.616.043 – 0916.729.850
- Email: CADXAYHL@gmail.com
- Website: dichvudanhvanban.com





















































