Phần mềm Autocad
Hướng Dẫn Chi Tiết Thực Hành Bản Vẽ CAD Cơ Bản Cho Người Mới Bắt Đầu
CAD (Computer-Aided Design) là một phần mềm không thể thiếu trong lĩnh vực thiết kế kỹ thuật, từ kiến trúc, xây dựng đến cơ khí và điện tử. Việc nắm vững các lệnh và kỹ năng tạo bản vẽ CAD cơ bản sẽ giúp tăng năng suất làm việc lên đáng kể, tiết kiệm thời gian và giảm thiểu sai sót. Đối với bất kỳ ai làm việc trong ngành kỹ thuật hoặc có liên quan đến các bản vẽ chuyên môn, việc học và thực hành CAD là một bước đi chiến lược và cần thiết.
Để làm quen và thành thạo việc tạo bản vẽ CAD cơ bản, bạn cần đi từ những bước đầu tiên, từ thiết lập môi trường làm việc đến thực hành các lệnh vẽ hình học cơ bản. Việc luyện tập thường xuyên sẽ giúp bạn hình thành phản xạ và tư duy thiết kế hiệu quả.
Các bước chuẩn bị và thực hiện bản vẽ CAD cơ bản:
Trước khi bắt tay vào vẽ, việc thiết lập môi trường làm việc chuẩn xác là vô cùng quan trọng để đảm bảo độ chính xác của bản vẽ.
- Bước 1: Mở phần mềm CAD và tạo bản vẽ mới. Luôn bắt đầu với một không gian làm việc trống để tránh các đối tượng không cần thiết.
- Bước 2: Thiết lập đơn vị bản vẽ với lệnh UNITS. Đối với hầu hết các bản vẽ kỹ thuật, đơn vị milimet (mm) là lựa chọn phổ biến. Nhập lệnh
UNITSvà điều chỉnh các thông số phù hợp như độ chính xác, góc… - Bước 3: Bắt đầu thực hiện các bài tập vẽ hình học cơ bản. Các bài tập dưới đây sẽ giúp bạn làm quen và vận dụng các lệnh vẽ 2D từ đơn giản đến phức tạp.
1. Thành thạo lệnh Line (Đường thẳng) trong bản vẽ CAD cơ bản
Lệnh Line (L) là một trong những lệnh nền tảng nhất trong CAD, cho phép bạn tạo ra các đường thẳng nối giữa hai điểm. Việc luyện tập lệnh này giúp bạn làm quen với cách nhập tọa độ, xác định hướng và độ dài của các đối tượng. Các bài tập dưới đây sẽ giúp bạn rèn luyện sự chính xác khi vẽ các đường thẳng riêng lẻ và kết hợp chúng để tạo ra các hình dạng cơ bản.
Dưới đây là các hình vẽ bạn cần thực hành sử dụng lệnh Line, đảm bảo vẽ đúng kích thước đã ghi chú. Việc tuân thủ kích thước giúp rèn luyện độ chính xác và khả năng kiểm soát trong quá trình tạo bản vẽ CAD.
Bản vẽ CAD minh họa các đường thẳng đơn giản với kích thước chi tiết, thực hành lệnh Line cơ bản
Tiếp tục với các bài tập yêu cầu sự kết hợp các đường thẳng để tạo ra hình dạng phức tạp hơn. Điều này giúp bạn phát triển tư duy không gian và khả năng sắp xếp các đối tượng trên bản vẽ.
Việc vẽ các hình có nhiều cạnh và góc khác nhau đòi hỏi sự cẩn thận và chính xác trong từng nét vẽ. Đây là bước quan trọng để xây dựng nền tảng vững chắc cho các bản vẽ kỹ thuật phức tạp sau này.
Bản vẽ kỹ thuật với nhiều đường thẳng tạo thành hình khối đa giác, rèn luyện độ chính xác khi vẽ bản vẽ CAD cơ bản
Các bài tập cuối cùng với lệnh Line tập trung vào việc tạo ra các hình dạng có cấu trúc rõ ràng, giúp bạn làm quen với việc hình thành các đối tượng có tính ứng dụng trong thiết kế.
2. Ứng dụng lệnh Polygon (Đa giác) để tạo bản vẽ CAD
Lệnh Polygon (POL) cho phép bạn vẽ các đa giác đều với số cạnh mong muốn. Đây là lệnh rất hữu ích khi bạn cần tạo các hình như tam giác đều, hình vuông, ngũ giác, lục giác,… một cách nhanh chóng và chính xác mà không cần vẽ từng cạnh bằng lệnh Line. Thực hành lệnh Polygon giúp bạn hiểu rõ về cách xác định tâm, bán kính nội tiếp hoặc ngoại tiếp của đa giác.
Hãy thực hành vẽ các hình đa giác sau đây để làm quen với lệnh Polygon và các tùy chọn của nó.
Các hình đa giác đều với số cạnh khác nhau, bài tập thực hành lệnh Polygon để tạo hình trong bản vẽ CAD
3. Tạo hình chữ nhật và hình vuông với lệnh Rectangle (Hình chữ nhật)
Lệnh Rectangle (REC hoặc RECTANG) là một công cụ hiệu quả để nhanh chóng tạo ra các hình chữ nhật hoặc hình vuông chỉ bằng cách xác định hai điểm đối diện. Lệnh này có nhiều tùy chọn như Chamfer, Elevation, Fillet, Thickness, Width giúp bạn tùy chỉnh hình chữ nhật theo yêu cầu thiết kế. Thành thạo lệnh Rectangle là kỹ năng cơ bản để vẽ các khung, bản vẽ mặt bằng hoặc các chi tiết hình hộp.
Vẽ các hình dưới đây để luyện tập cách sử dụng lệnh Rectangle, tập trung vào việc xác định kích thước và vị trí.
4. Vẽ hình tròn và cung tròn với lệnh Circle (Hình tròn)
Lệnh Circle (C) là lệnh cơ bản để tạo ra các đối tượng hình tròn. Có nhiều cách để vẽ hình tròn, như xác định tâm và bán kính/đường kính, hoặc thông qua ba điểm, hai điểm, tiếp tuyến. Việc luyện tập lệnh Circle giúp bạn hiểu rõ hơn về các khái niệm hình học và cách áp dụng chúng vào bản vẽ CAD.
Hãy thực hành vẽ các hình sau đây bằng cách sử dụng lệnh Circle, chú ý đến các phương pháp xác định hình tròn khác nhau.
5. Sử dụng kết hợp bắt điểm (Object Snap) trong bản vẽ CAD
Tính năng bắt điểm (Object Snap – OSNAP) là một công cụ vô cùng quan trọng giúp bạn vẽ các đối tượng chính xác tuyệt đối bằng cách “bắt” vào các điểm đặc biệt của đối tượng khác như điểm cuối, điểm giữa, tâm, giao điểm, tiếp tuyến,… Việc thành thạo bắt điểm sẽ nâng cao đáng kể tốc độ và độ chính xác của bản vẽ.
Hãy thực hành các bài tập dưới đây để rèn luyện kỹ năng bắt điểm, đảm bảo các đường và đối tượng được nối kết chính xác.
Bản vẽ kỹ thuật với các đường thẳng giao nhau chính xác, rèn luyện kỹ năng bắt điểm hiệu quả trong CAD
Tiếp tục luyện tập với các hình phức tạp hơn, nơi việc bắt điểm đúng cách sẽ quyết định sự thành công của bản vẽ.
Sơ đồ hình học với các điểm nối rõ ràng, minh họa tầm quan trọng của tính năng bắt điểm khi tạo bản vẽ CAD
6. Kết hợp lệnh Arc (Cung tròn) và các lệnh đã học
Lệnh Arc (A) cho phép bạn vẽ các đoạn cung tròn. Có nhiều phương pháp để vẽ cung tròn, như xác định ba điểm, tâm và điểm đầu/cuối, hoặc điểm đầu/cuối và bán kính. Việc kết hợp lệnh Arc với các lệnh Line, Circle đã học sẽ giúp bạn tạo ra các hình dạng mềm mại, phức tạp hơn, thường thấy trong các bản vẽ cơ khí hoặc kiến trúc.
Thực hành vẽ hình dưới đây, kết hợp lệnh Arc và các lệnh đã học để tạo ra các đường cong mượt mà và chính xác.
7. Sử dụng lệnh Pline (Đa tuyến) để vẽ bản vẽ CAD
Lệnh Pline (PL hoặc PLINE) cho phép bạn vẽ một chuỗi các đoạn thẳng hoặc cung tròn liên tục như một đối tượng duy nhất (polyline). Điều này rất hữu ích khi bạn cần tạo các đường biên, đường dẫn hoặc các hình dạng phức tạp cần được xử lý như một thể thống nhất. Khác với lệnh Line, các đoạn được vẽ bằng Pline sẽ được nối liền và coi là một đối tượng duy nhất, giúp dễ dàng hiệu chỉnh sau này.
Hãy thực hành vẽ các hình sau đây bằng cách sử dụng lệnh Pline, chú ý đến sự khác biệt so với việc vẽ bằng lệnh Line đơn thuần.
Tiếp tục với các hình dạng yêu cầu sự liền mạch của các đường đa tuyến, giúp bạn hiểu rõ hơn về lợi ích của lệnh Pline trong việc quản lý đối tượng.
8. Kết hợp linh hoạt các lệnh để hoàn thành bản vẽ CAD phức tạp
Sau khi đã làm quen với từng lệnh vẽ cơ bản, đây là lúc bạn cần kết hợp chúng một cách linh hoạt để tạo ra các bản vẽ có độ phức tạp cao hơn. Bài tập này yêu cầu bạn tư duy về trình tự vẽ, cách sử dụng các lệnh hiệu quả và tối ưu hóa quy trình làm việc. Đây là bước quan trọng để chuyển từ việc chỉ vẽ các hình cơ bản sang việc tạo ra các bản vẽ kỹ thuật hoàn chỉnh.
Hãy vận dụng tất cả các lệnh đã học để vẽ các hình dưới đây, rèn luyện khả năng phân tích và tái tạo hình ảnh thành bản vẽ CAD.
Các bài tập này đòi hỏi sự kiên nhẫn và khả năng kết nối các hình dạng khác nhau một cách logic và chính xác.
Hình học phức tạp với các đường cong và đường thẳng, thực hành kết hợp linh hoạt các lệnh CAD để tạo hình
Vẽ các chi tiết phức tạp hơn giúp bạn làm quen với việc quản lý các lớp đối tượng và các vùng không gian khác nhau trong bản vẽ.
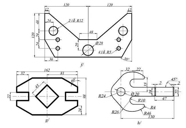
Sơ đồ kỹ thuật với các chi tiết phức tạp, minh họa khả năng sáng tạo khi sử dụng nhiều lệnh trong bản vẽ CAD
Tạo các hình đối xứng và lặp lại đòi hỏi sự hiểu biết về các lệnh chỉnh sửa sẽ được giới thiệu sau, nhưng bạn có thể thử sức bằng cách vẽ thủ công để rèn luyện sự chính xác.
Bản vẽ cơ khí với các chi tiết đối xứng, bài tập ứng dụng các lệnh vẽ 2D trong CAD để tạo hình chính xác
Hình chiếu đơn giản giúp bạn hình dung cách các đối tượng 3D được thể hiện trong không gian 2D, một kỹ năng quan trọng trong thiết kế kỹ thuật.
Hình chiếu phối cảnh đơn giản, rèn luyện kỹ năng tổng hợp để dựng bản vẽ CAD đa dạng
9. Kết hợp các lệnh hiệu chỉnh (Offset, Trim, Extend, Fillet…) và các lệnh 2D
Để tạo ra những bản vẽ CAD cơ bản nhưng chuyên nghiệp, không chỉ cần biết vẽ mà còn cần biết hiệu chỉnh. Các lệnh hiệu chỉnh như Offset (O), Trim (TR), Extend (EX), Fillet (F) là cực kỳ mạnh mẽ để sửa đổi, sao chép và tinh chỉnh các đối tượng đã vẽ.
- Offset: Tạo các đối tượng song song hoặc đồng tâm với một khoảng cách nhất định.
- Trim: Cắt bỏ các phần của đối tượng thừa đến một đường biên xác định.
- Extend: Kéo dài các đối tượng đến một đường biên xác định.
- Fillet: Bo tròn các góc sắc nhọn bằng một cung tròn với bán kính cho trước.
Thực hành các bài tập dưới đây để làm quen với việc sử dụng các lệnh hiệu chỉnh, giúp bạn tối ưu hóa quy trình làm việc và tăng tốc độ thiết kế bản vẽ.
Bản vẽ kỹ thuật với các chi tiết được hiệu chỉnh, thực hành lệnh Offset để tạo đối tượng song song trong CAD
Kết hợp Trim và Extend là kỹ năng không thể thiếu để làm sạch và hoàn thiện các chi tiết trong bản vẽ của bạn.
Sơ đồ hình học cần cắt tỉa và kéo dài, bài tập ứng dụng lệnh Trim và Extend trong hiệu chỉnh bản vẽ CAD
Sử dụng Fillet để tạo các góc bo tròn, mang lại tính thẩm mỹ và an toàn cho các chi tiết cơ khí hoặc kiến trúc.
Bản vẽ cơ khí với các góc bo tròn, minh họa cách sử dụng lệnh Fillet để làm mượt các cạnh trong CAD
Các bài tập cuối cùng trong phần này sẽ yêu cầu bạn kết hợp tất cả các lệnh hiệu chỉnh đã học để xử lý các hình dạng phức tạp.
Thiết kế kỹ thuật phức tạp kết hợp các lệnh hiệu chỉnh, rèn luyện kỹ năng tối ưu hóa bản vẽ CAD bằng Trim, Extend, Fillet
10. Kết hợp các lệnh vẽ 2D và Hatch (Tô vật liệu)
Lệnh Hatch (H) cho phép bạn tô vật liệu hoặc các mẫu hoa văn vào một vùng kín trên bản vẽ. Điều này rất quan trọng trong các bản vẽ kỹ thuật để thể hiện mặt cắt, loại vật liệu hoặc các khu vực đặc biệt. Việc sử dụng Hatch giúp bản vẽ của bạn trở nên rõ ràng và dễ đọc hơn.
Hãy thực hành kết hợp các lệnh vẽ 2D đã học với lệnh Hatch để hoàn thiện các hình vẽ dưới đây, làm cho bản vẽ của bạn trông chuyên nghiệp và có thông tin đầy đủ.
Bản vẽ kỹ thuật với các vùng vật liệu được tô màu, thực hành lệnh Hatch để thể hiện mặt cắt trong CAD
Thử nghiệm với các mẫu Hatch khác nhau và cách điều chỉnh tỷ lệ để phù hợp với từng vùng vẽ.
Sơ đồ chi tiết với các mẫu tô Hatch đa dạng, minh họa cách ứng dụng lệnh Hatch để làm phong phú bản vẽ CAD 2D
Những bài tập trên đây được thiết kế để bạn đi từ mức độ bản vẽ CAD cơ bản tới nâng cao, kết hợp đa dạng các câu lệnh thiết kế và hiệu chỉnh. Để đạt được tốc độ và hiệu quả tốt nhất, bạn cần kết hợp linh hoạt các lệnh, hiểu rõ chức năng và phím tắt của chúng. Đừng ngần ngại thực hành lại mỗi bài tập một đến hai lần để củng cố kiến thức, làm quen với các nhóm lệnh và hình thành phản xạ thiết kế. Chỉ khi nắm vững bản vẽ CAD cơ bản, bạn mới có thể tự tin tiến tới những dự án phức tạp hơn.





















































